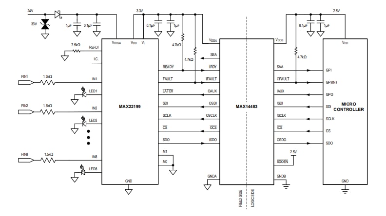
La entrada digital industrial Maxim Integrated MAX22199 Octal traduce ocho entradas industriales que consumen corriente de 24 V en una salida serializada compatible con SPI que interactúa con lógica de 3 a 5,5 V. El dispositivo de entrada digital industrial compatible con IEC 61131-2 funciona como ocho entradas digitales Tipo 1/Tipo 3. entradas o cuatro entradas digitales Tipo 2. La entrada digital industrial Maxim MAX22199 Octal presenta funciones de diagnóstico que incluyen apagado térmico, alarma de subtensión de 24 V, alarma de subtensión de 24 V y detección de errores de comunicación SPI y CRC. Todas las fallas proporcionan la configuración para generar una interrupción usando el pin FAULT.




