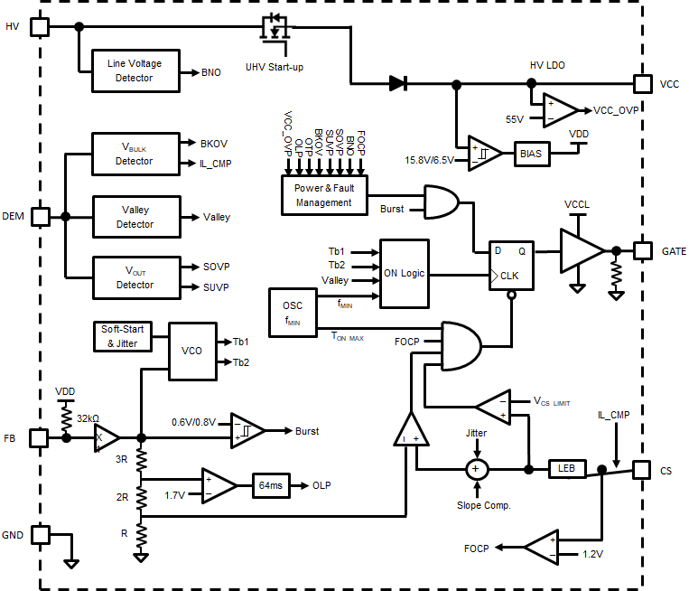
El controlador PWM AP3128 de Diodes Incorporated es un controlador PWM de control de corriente pico multimodo (QR + CCM). Este controlador está optimizado para alto rendimiento, bajo consumo de energía en espera y convertidores de retorno fuera de línea rentables. El controlador AP3128 está diseñado para ingresar al modo de ráfaga sin carga / carga ligera y minimizar el consumo de energía en el modo de espera. Este controlador tiene una frecuencia de conmutación máxima de 105 kHz que fija la frecuencia QR para reducir la pérdida de potencia de conmutación y la frecuencia mínima evita el ruido audible. El controlador AP3128 ofrece control multimodo, arranque suave durante el proceso de arranque, reducción de frecuencia para una eficiencia media alta y protección contra cortocircuitos del devanado secundario con FOCP. Las aplicaciones típicas incluyen un cargador de teléfono celular, aplicación de distribución de energía (PD), energía auxiliar ATX / BTX, fuente de alimentación de decodificador (STB) y fuente de alimentación de conmutación de marco abierto.




