
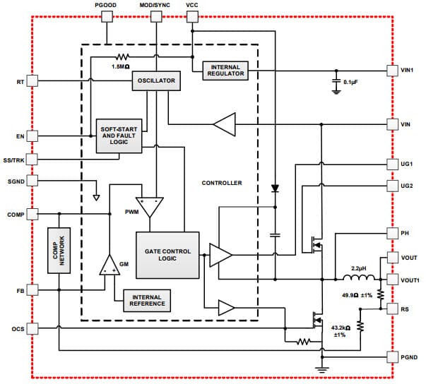
Mouser Electronics ya tiene en stock los módulos Step-Down de Potencia IS8215M de Intersil, indicados para equipos industriales, médicos, automotores y de telecomunicaciones. Los módulos presentan una eficiencia de hasta 92,5% y una corriente de salida de 15 A. Las tensiones de entrada están en el rango de 7 V a 42 y las tensiones de salida de 0,6 a 12 V.



