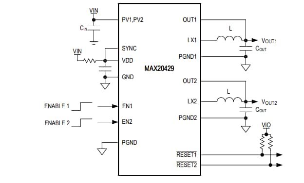
Mouser Electronics tiene en inventario los MAX20429 Convertidores Buck 6A de baja tensión y alta eficiencia de Maxim Integrated que proporcionan corriente de carga de hasta 6A (pico) por salida de 0.5 V a 1.5875 V en 12.5 pasos mV y 1.6 V a 3.8 V en 50 mV pasos. El MAX20429 tiene un error de salida total de menos de ± 1.0%, sobrecarga, línea y temperatura. El IC opera de 3 V a 5,5 V, lo que lo hace ideal para aplicaciones de punto de carga y post-regulación a bordo. Buck Maxim MAX20429 Los convertidores duales 6A, de alta eficiencia y baja tensión, ofrecen operación en modo PWM de frecuencia fija con una frecuencia de conmutación de 2.1 MHz o 3.2 MHz. La operación de alta frecuencia permite un pequeño diseño de condensador cerámico con pocos componentes externos. Los convertidores MAX20429 incluyen apagado por sobrecalentamiento y limitación de sobrecorriente. Los convertidores MAX20429 están diseñados para funcionar en el rango de temperatura ambiente de –40 °C a + 125 °C.




