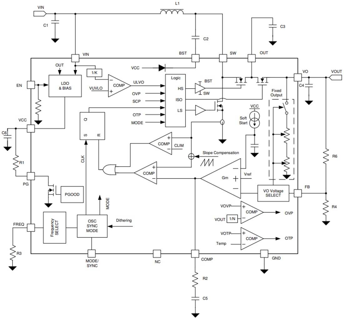
Anunciado por Mouser Elecronics, el convertidor elevador síncrono TPS61379-Q1 de Texas Instruments es un convertidor totalmente integrado con función de desconexión de carga integrada. La tensión de entrada cubre de 2,3 V a 14 V, mientras que la tensión de salida máxima es de hasta 18,5 V. El límite de corriente de conmutación es de 2 A típico. Tiene una corriente de reposo de 25 µA del VIN. El TPS61379-Q1 emplea control de modo de corriente máxima con frecuencia de conmutación programable de 200 kHz a 2,2 MHz. El dispositivo opera en operación PWM de frecuencia fija con una carga media a pesada. Hay dos modos de carga ligera opcionales que configuran el pin MODE: modo PFM automático y PWM forzado para equilibrar la eficiencia y la inmunidad al ruido bajo carga ligera. La frecuencia de conmutación se puede sincronizar con un reloj externo. El TPS61379-Q1 usa el espectro de propagación del reloj interno para ser más amigable con EMI en el modo FPWM. Además, hay un tiempo de arranque suave interno para limitar la corriente de irrupción.




