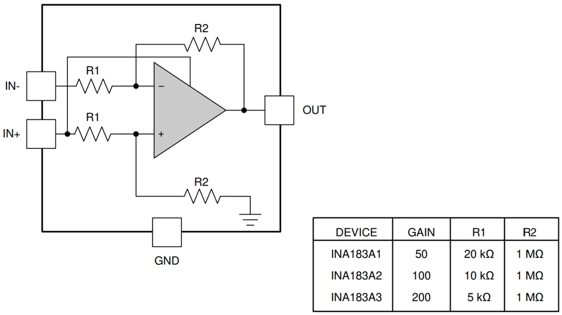
El amplificador de detección de corriente INA183 de Texas Instruments es un monitor de derivación de corriente de salida de alta tensión de alta precisión (también llamado amplificador de detección de corriente). Se utilizan comúnmente para protección contra sobrecorriente, una medición de corriente de precisión para la optimización del sistema o en circuitos de retroalimentación de bucle cerrado. Este dispositivo puede detectar caídas en las resistencias de derivación en voltajes de modo común de 2,7 V a 26 V. Hay disponibles tres ganancias fijas: 50 V / V, 100 V / V y 200 V / V. La deriva baja permite la detección de corriente con caídas máximas en la rama tan bajas como 10 mV a escala completa. El INA183 funciona extrayendo energía del pin IN +, consumiendo un máximo de 130 µA de corriente de alimentación. Todas las versiones se especifican de –40 ° C a 125 ° C y vienen en el paquete SOT-23 de 5 pines.




