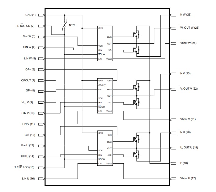
Los nano IGBT STMicroelectronics STGIPQ4C60T-HZ SLLIMM proporcionan una unidad de controlador de motor de CA compacta y de alto rendimiento en un diseño simple y robusto. Los IGBT STGIPQ4C60T-HZ se componen de seis IGBT de parada de campo robustos de medio puente mejorados para accionamiento de puerta. Esto proporciona características de baja interferencia electromagnética (EMI) con velocidad de conmutación optimizada.




