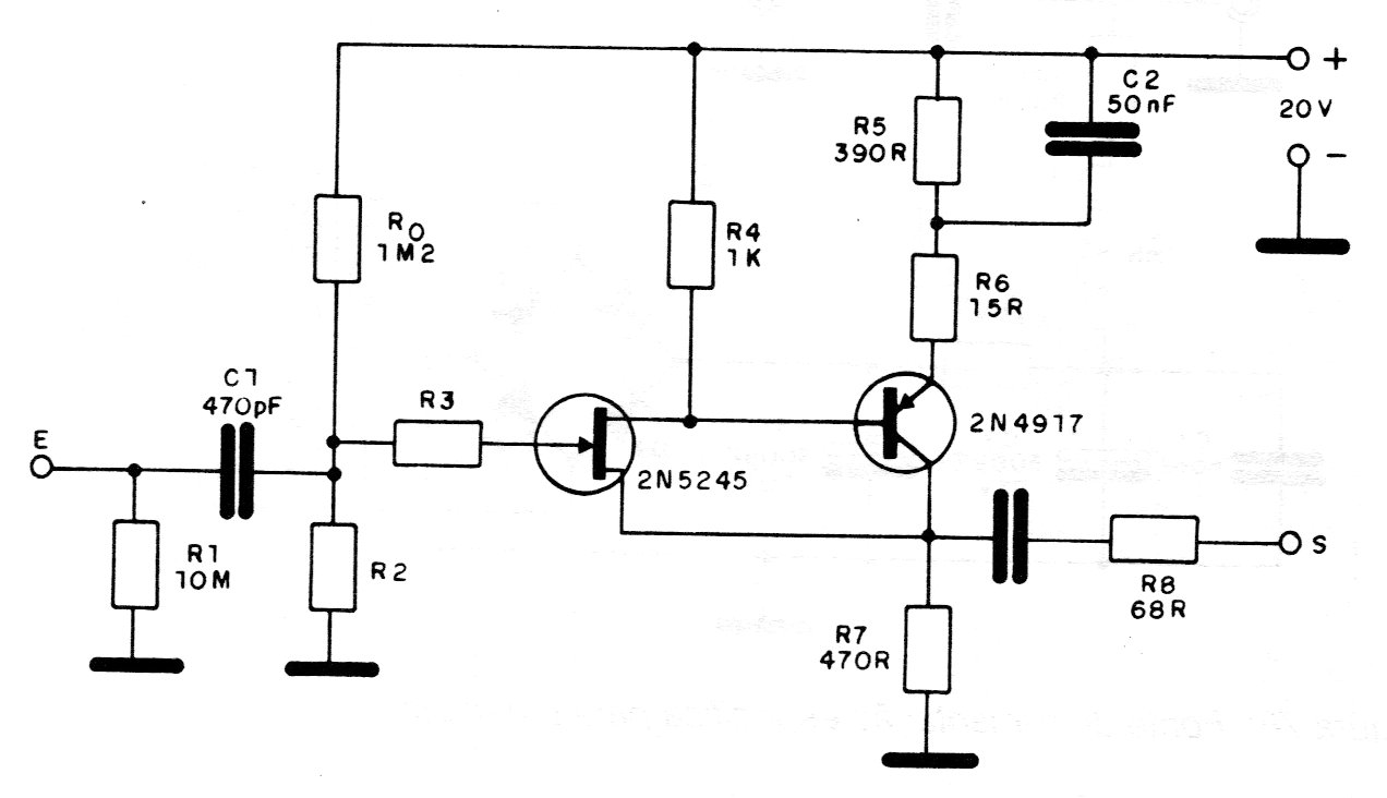
Este amplificador o booster de antena para receptores de 100 kHz a 30 MHz fue publicado en una documentación técnica sobre FET de los años 80. El transistor bipolar puede ser el BF494 y la alimentación puede ser hecha por dos baterías de 9 V, ya que el consumo es muy bajo o la fuente de CIR5872S ..




