Con el probador de continuidad simple y sensible que describimos es posible probar componentes básicos como resistores, condensadores, transformadores, bobinas, cables, llaves, fusibles y mucho más. Se trata, pues, de un instrumento de gran utilidad.
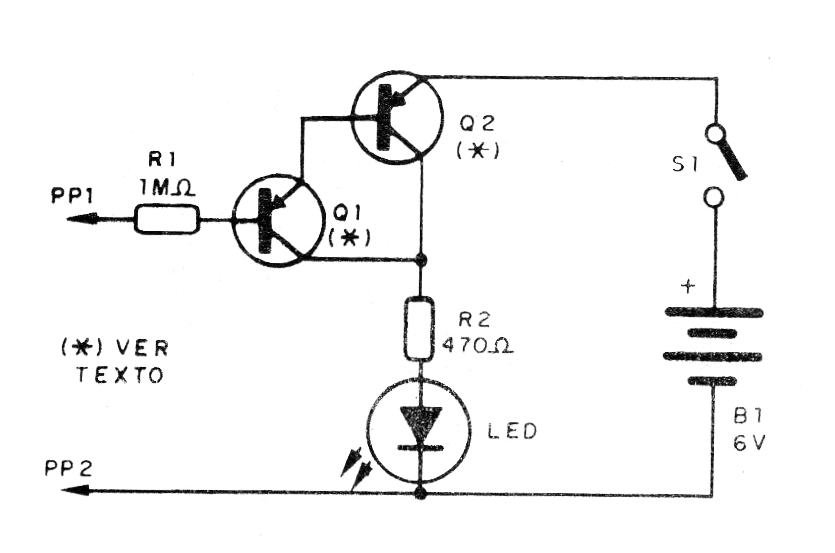
El circuito es extremadamente sensible, pues con corrientes muy bajas el LED indicador ya es accionado lo que posibilita la realización de pruebas en componentes como condensadores que pueden tener fugas de resistencias muy altas.
El circuito es alimentado por pilas y tiene un consumo muy bajo, no presentando ningún peligro para la integridad de los componentes que se están probando. En la figura 1 tenemos el diagrama completo del probador de componentes.
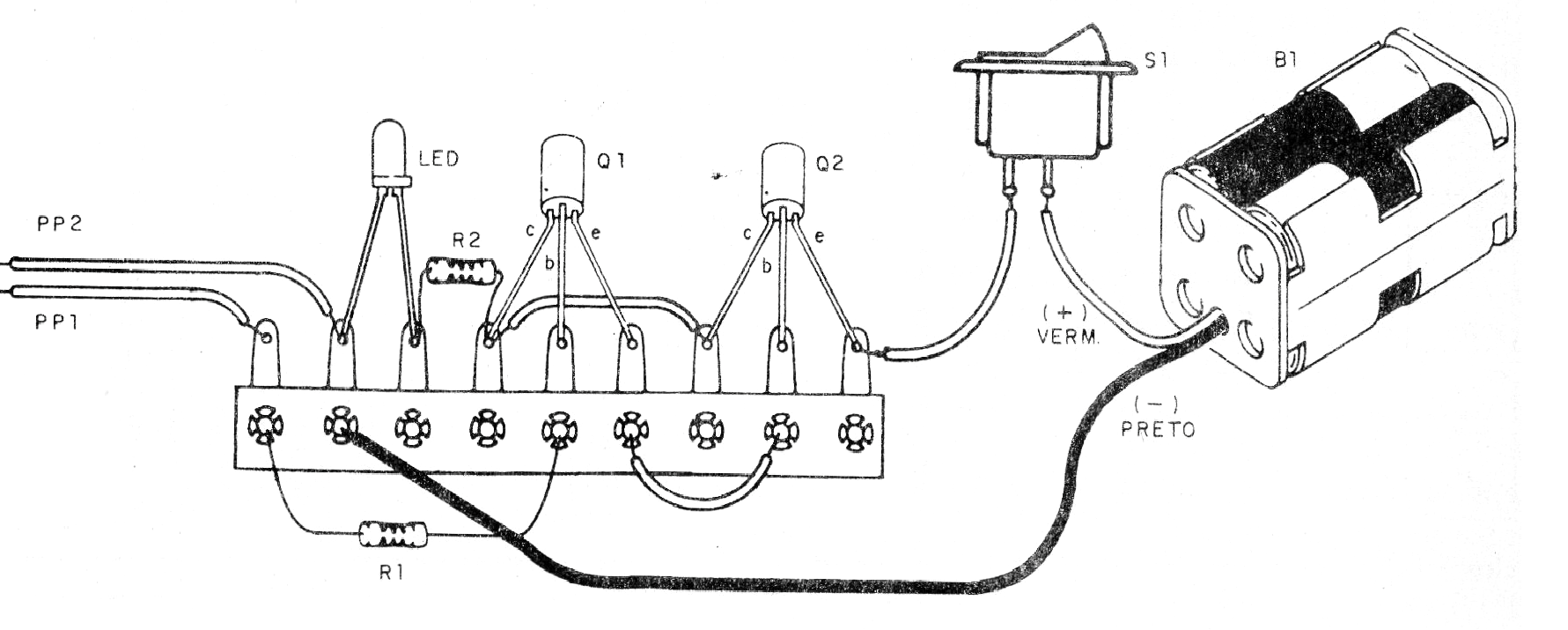
El montaje se puede realizar sobre la base de una matriz de contactos, placa de circuito impreso o incluso puente de terminales. Para el montaje en puente de terminales tenemos la figura 2 como sugerencia.
Los transistores pueden ser del tipo PNP de uso general, tanto aprovechados de radios u otros aparatos antiguos, como los OC71, 2SB75, como tipos modernos de silicio como los BC558.
Lista de material
Q1, Q2 - Cualquier transistor PNP de uso general
LED - LED común de cualquier color
B1- 6 V - 4 pilas pequeñas
R1- 1 M ohms x 1/8 W - resistor - marrón, negro, verde
R2 - 470 ohms x 1/8 W-resistor - amarillo, violeta, marrón
PP1, PP2 - Extremidades de prueba
S1 - Interruptor simple
Varios: puente de terminales, soporte de pilas, caja para montaje, hilos, soldadura, etc.





