Con un simple transformador conectado a la salida de un amplificador de más de 5 W es posible hacer que una pequeña lámpara fluorescente parpadee en el ritmo de la música.
Incluso las lámparas débiles que ya no funcionan normalmente en la red de energía parpadearán en el ritmo de la música cuando se utilizan en este circuito.
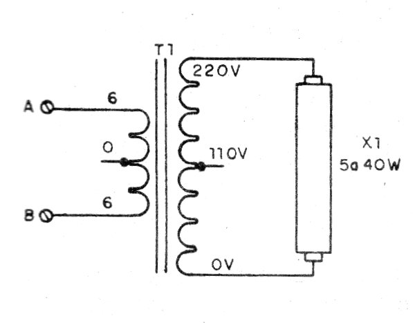
Su funcionamiento es simple: la baja tensión de salida de audio de un amplificador, al ser aplicada al transformador, aparece como alta tensión en el otro devanado, encendiendo entonces la lámpara que parpadeará en los picos de la música.
El transformador utilizado puede ser cualquiera de 6 a 12 V con corriente de 200 a 500 mA y primario de 110 V o 220 V.
Para utilizar este aparato, sin embargo, el lector debe tomar algunos cuidados especiales para no forzar el amplificador y con ello causar daño a su circuito.
Así, si la salida de los canales es de 4 ohms, debemos utilizar altavoces de 8 más el circuito indicado. Si es de 2 ohms, debemos utilizar altavoces de 4 ohms más el circuito indicado.
En este circuito, la potencia luminosa corresponde a la potencia sonora que se desarrolla en el altavoz lo que quiere decir que tendremos cierta pérdida en el volumen máximo de sonido que el amplificador puede dar.
En la figura 1 tenemos el diagrama completo del aparato.

El aspecto final del montaje que no necesita de chasis u otro elemento de soporte de los componentes se muestra en la figura 2.
El circuito se conecta a la salida de cualquier amplificador con una potencia mínima de 5 W.
Para probar el aparato, basta con abrir el volumen y comprobar el punto en que la lámpara empieza a parpadear.
Lista de material
T1 - Transformador - ver texto
L1- Lámpara de 5 a 40 W fluorescente
Varios: hilos, soldadura, terminales de tornillo.




