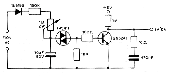
Este circuito genera una señal en forma de rampa cuyas características son determinadas por el Diac. Este componente admite el equivalente así como el transistor. Observe la necesidad de una fuente adicional para polarizar el transistor. El ajuste de la rampa se realiza en el potenciómetro de 1 M y se pueden realizar cambios en otros componentes para obtener la señal con las características deseadas.




