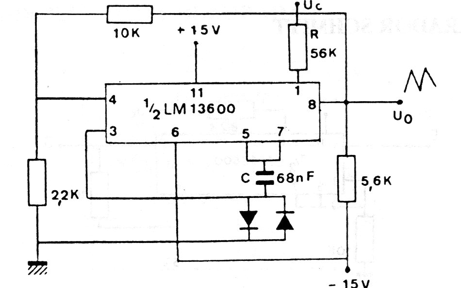
El circuito integrado utilizado en esta configuración de una documentación antigua no es muy común actualmente. El circuito genera señales triangulares cuya frecuencia depende de R y de C. El circuito debe ser alimentado por una fuente simétrica. La frecuencia es controlada por una tensión aplicada a Uc.




