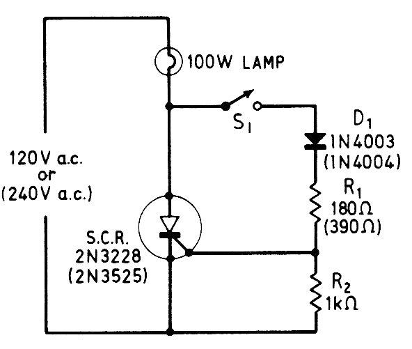
Esta configuración que aparece en numerosos artículos de este sitio web es de una documentación Europea de los años 80. El circuito puede ser implementado con SCRs comunes de buena sensibilidad y potencia de acuerdo con la carga controlada. El circuito es un control de media onda.




