La base de este circuito que incluye la fuente de alimentación es un multivibrador asequible. Los transistores pueden ser los BC548 y el transformador tiene secundario de 9 + 9 V o cerca de ello para obtener en la rectificación cerca de 12 V para accionamiento del relé. La frecuencia se ajusta en P1.
Parpadeante Transistorizado (CIR5712S)
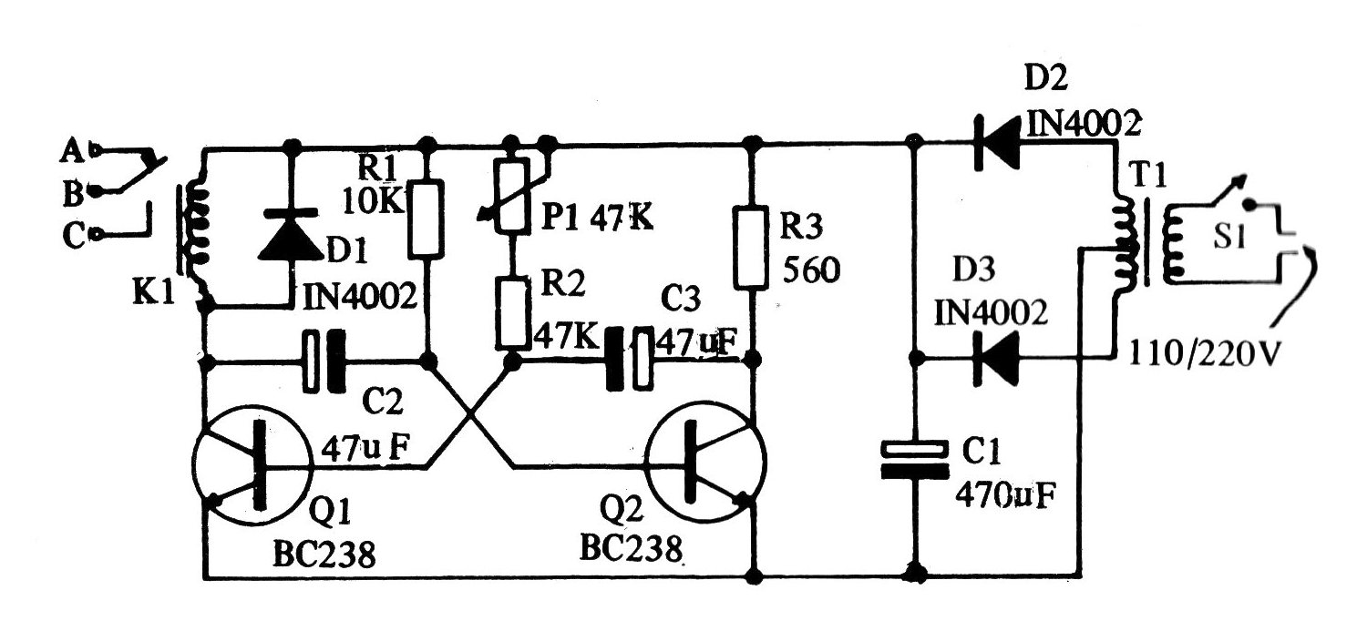
La base de este circuito que incluye la fuente de alimentación es un multivibrador asequible. Los transistores pueden ser los BC548 y el transformador tiene secundario de 9 + 9 V o cerca de ello para obtener en la rectificación cerca de 12 V para accionamiento del relé. La frecuencia se ajusta en P1.




