Si bien la mayoría de los transductores piezoeléctricos comunes tienen una reducción del rendimiento en frecuencias superiores a 10 kHz, las cápsulas encontradas en los tweeters piezoeléctricos pueden llegar a los 20 000 Hz o más. La idea del circuito mostrado en la figura es utilizar sólo la cápsula de un tweeter piezoeléctrico, del cual el pequeño transformador interno ha sido retirado, para generar ultrasonidos alrededor de 20 kHz. La frecuencia es determinada básicamente por C2 y ajustada en P1. Basta girar P1 hasta el momento en que el silbido agudo producido por el transductor desaparezca. Si esto no se logra, disminuya el valor de C2. La alimentación del circuito se puede hacer con tensiones de 6 a 12 V y el consumo es bastante bajo, incluso con la emisión continua del con (algo alrededor de 10 mA). Observe que se utiliza una salida en contrafase para que dos 4093 funcionen como amplificadores digitales, obteniéndose así un buen rendimiento para el circuito. Una aplicación para este circuito es como espanto-ratones, ya que los roedores son bastante molestados con la producción continua de ultrasonidos. Nunca utilice, sin embargo, el circuito en lugares con personas o animales domésticos. El circuito también puede ser utilizado como un "llama de perro", recordando que estos animales pueden oír sonidos de frecuencias que no oímos, como las producidas por este oscilador. Para usarlo, basta condicionar al animal, enseñándolo a atender a las señales emitidas.
Generador Ultrasónico (CIR5496S )
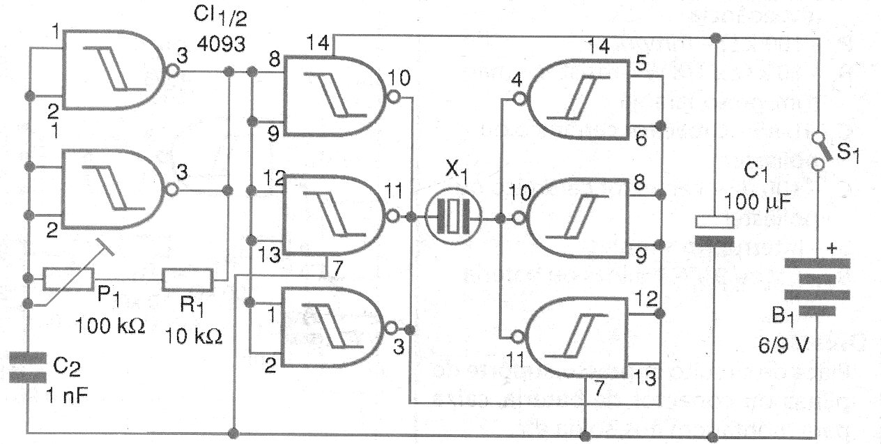
Si bien la mayoría de los transductores piezoeléctricos comunes tienen una reducción del rendimiento en frecuencias superiores a 10 kHz, las cápsulas encontradas en los tweeters piezoeléctricos pueden llegar a los 20 000 Hz o más. La idea del circuito mostrado en la figura es utilizar sólo la cápsula de un tweeter piezoeléctrico, del cual el pequeño transformador interno ha sido retirado, para generar ultrasonidos alrededor de 20 kHz. La frecuencia es determinada básicamente por C2 y ajustada en P1. Basta girar P1 hasta el momento en que el silbido agudo producido por el transductor desaparezca. Si esto no se logra, disminuya el valor de C2. La alimentación del circuito se puede hacer con tensiones de 6 a 12 V y el consumo es bastante bajo, incluso con la emisión continua del con (algo alrededor de 10 mA). Observe que se utiliza una salida en contrafase para que dos 4093 funcionen como amplificadores digitales, obteniéndose así un buen rendimiento para el circuito. Una aplicación para este circuito es como espanto-ratones, ya que los roedores son bastante molestados con la producción continua de ultrasonidos. Nunca utilice, sin embargo, el circuito en lugares con personas o animales domésticos. El circuito también puede ser utilizado como un "llama de perro", recordando que estos animales pueden oír sonidos de frecuencias que no oímos, como las producidas por este oscilador. Para usarlo, basta condicionar al animal, enseñándolo a atender a las señales emitidas.




