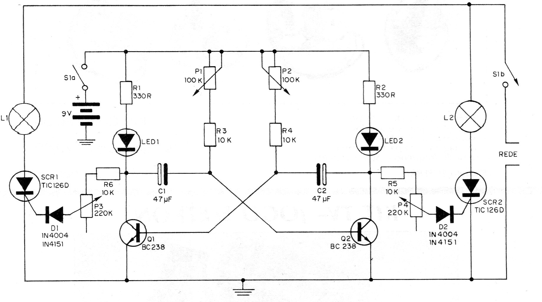
Esta configuración con multivibrador astable convencional fue encontrada en una publicación de 1982. El circuito funciona en 110 V o 220 V según el SCR, que debe montarse en disipador de calor. El punto de funcionamiento se ajusta en los trimpots. Una batería de 6 V consiste en la alimentación auxiliar.




