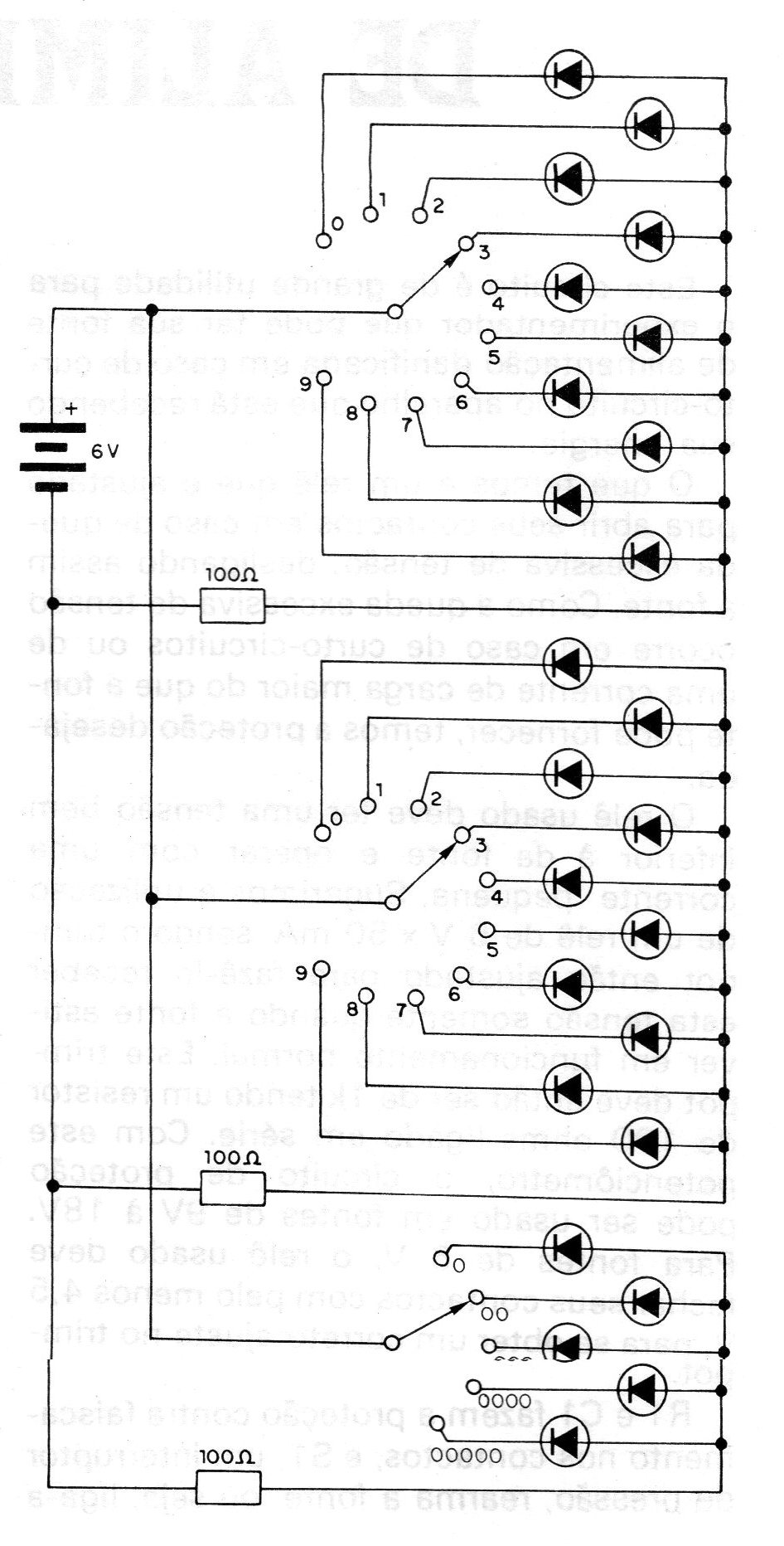
¿Todavía no ha memorizado el código de color utilizado en la identificación de resistores y condensadores? Usted tiene dificultades para determinar el valor de un condensador de poliéster o de un resistor, incluso sabiendo los valores de los colores utilizados en el código? Si desea liberarse definitivamente de este problema de lectura, damos una solución electrónica, un aparato "identificador" muy cómodo e infalible para ser utilizado en su banco. En este identificador hay tres llaves donde usted fija los colores de los componentes que se leen. Cada indicador corresponde a una de las bandas, o anillos, de los condensadores o resistores. Fijados los colores, los LED que dan los valores obtenidos se encender automáticamente. Por ejemplo, si fija los colores rojo, negro y naranja, los LED de encendido corresponder a 1 , 0, 000, lo que significa que, si es una resistor, su valor será 10 000 ohms o 10 k si es un capacitor el valor será 10000 pF o 10 nF.
MONTAJE
Las llaves usadas son de 1 polo x 10 posiciones para las dos primeras y 1 polo x 5 posiciones para la tercera. Estas llaves deben estar dotadas de flechas tipo flecha, para apuntar a la marca de colores del panel. Se emplean 25 LEDs comunes con las indicaciones de valor. Los demás componentes son comunes: resistores limitadores de corriente y una fuente de alimentación formada por 4 pilas.




