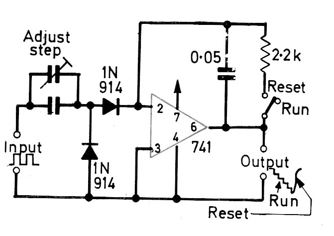
Esta configuración, que aparece en otros circuitos de este sitio, fue encontrada en una documentación europea de los años 70. En realidad, es válida para otros operativos y la entrada debe ser una señal rectangular. La alimentación no necesita ser simétrica y puede oscilar entre 6 y 12 V.




