El circuito presentado es del manual de aplicaciones de transistores de Ferranti de 1974. Los transistores equivalentes modernos pueden ser utilizados.

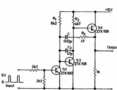
Generador de Rampa con Integración de Feedback (CIR2051S)
El circuito presentado es del manual de aplicaciones de transistores de Ferranti de 1974. Los transistores equivalentes modernos pueden ser utilizados.




