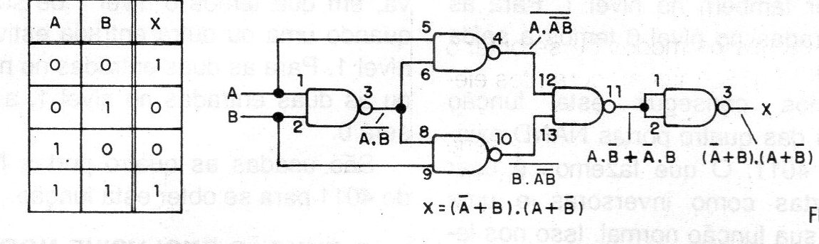
La función no-exclusiva o exclusiva-NOR se puede lograr simplemente añadiendo otro puerto NAND como inversor al circuito anterior (CIR2923S). Sin embargo, quedamos con 5 puertas para el circuito, lo que significa que no podemos utilizar simplemente 1 integrado para esta simulación. La tabla verdad, junto al diagrama, nos muestra que obtenemos 0 en la salida cuando una u otra entrada es 1.




