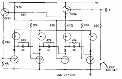
Las lámparas son de 6 V de baja corriente y el componente básico consiste en SUS o clave bilateral de silicio. Los transistores admiten equivalentes. El circuito es del manual de semiconductores de GE de 1977.

Las lámparas son de 6 V de baja corriente y el componente básico consiste en SUS o clave bilateral de silicio. Los transistores admiten equivalentes. El circuito es del manual de semiconductores de GE de 1977.
