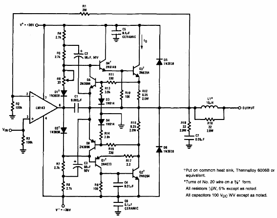
Este circuito fue sugerido por National Semiconductor en su Linear Application Handbook. El operacional LM143 es un tipo especial de alta tensión que no es fácil de obtener. Los transistores también admiten equivalentes de alta tensión y alta corriente. La fuente debe ser compatible con la potencia del circuito, con al menos 5 A.




