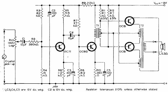
Este circuito utilizaba transistores de germanio y era alimentado por 6 pilas que también eran usadas para girar el plato del tocadiscos. El circuito es del manual de referencia de transistores de Mullard.

Este circuito utilizaba transistores de germanio y era alimentado por 6 pilas que también eran usadas para girar el plato del tocadiscos. El circuito es del manual de referencia de transistores de Mullard.
