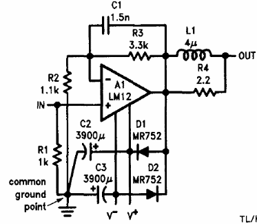
Este amplificador de alta potencia con un solo operacional LM12 (difícil de obtener) es el Linear Applications Handbook de National Semiconductor. El circuito utiliza una fuente simétrica de 40 V.

Este amplificador de alta potencia con un solo operacional LM12 (difícil de obtener) es el Linear Applications Handbook de National Semiconductor. El circuito utiliza una fuente simétrica de 40 V.
