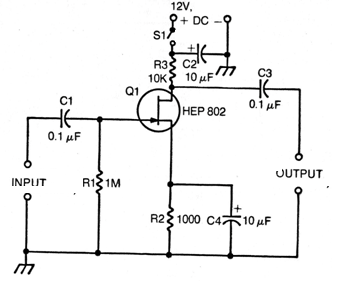
Encontramos este circuito tradicional en una documentación americana de 1976. El circuito puede ser montado con FET más comunes actualmente como el MPF102 y BF245. El circuito tiene alta impedancia de entrada y una ganancia de tensión de 10 veces, con una sensibilidad de 700 mV para salida. El consumo es muy bajo, del orden de 0,7 mA sólo.




