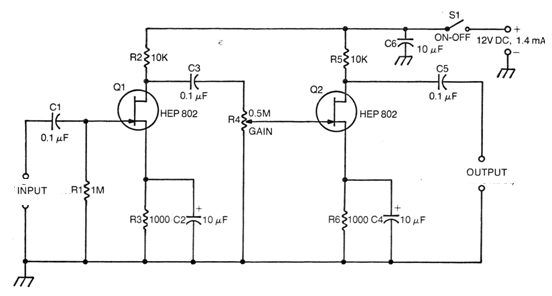
Este circuito de dos etapas tiene una ganancia de tensión de 100 veces, con una alta impedancia de entrada. El circuito es de una documentación técnica de 1976, pero puede ser montado con transistores modernos como los BF245 y MPF102. La entrada máxima es de 70 mV (audio) con una salida de 7 Vrms. El circuito tiene un consumo muy bajo, del orden de 1,4 mA sólo. La impedancia de entrada es del orden de 22 M ohms.




