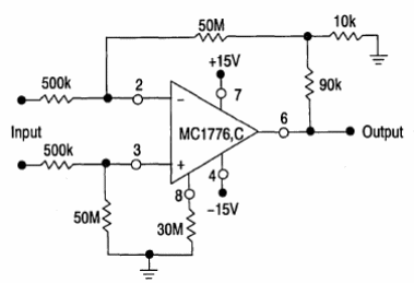
Encontramos este circuito en el Linear Interface ICs de Motorola de 1993. El operacional es poco común en nuestros días, pero la configuración puede ser elaborada con equivalentes.

Encontramos este circuito en el Linear Interface ICs de Motorola de 1993. El operacional es poco común en nuestros días, pero la configuración puede ser elaborada con equivalentes.
