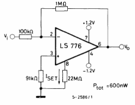
Este amplificador es del manual de circuitos integrados lineales de la SGS de 1982. La fuente de alimentación debe ser simétrica y otros amplificadores operacionales que se pueden utilizar.

Este amplificador es del manual de circuitos integrados lineales de la SGS de 1982. La fuente de alimentación debe ser simétrica y otros amplificadores operacionales que se pueden utilizar.
