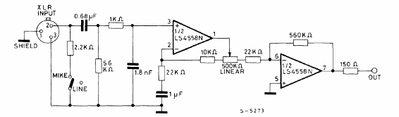
El circuito integrado utilizado en esta aplicación es un doble 741 de la SGS. La alimentación debe ser simétrica y la ganancia se puede ajustar en el modo logarítmico de 0 a 60 dB. Los cables deben ser blindados tanto para la salida como para la entrada.




