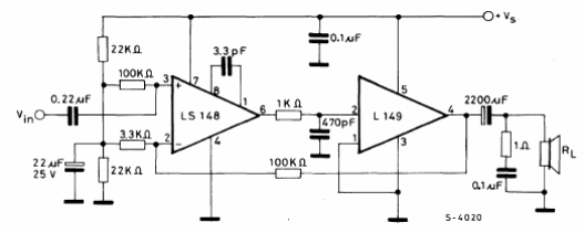
Los circuitos integrados usados son de la SGS, pues obtuvimos esta configuración del manual de la empresa de 1982. La potencia depende de la alimentación entre 7 y 30 V para carga de 4 ohmios, cuando la potencia de salida llega a los 20 W. El circuito integrado L149 debe con un buen disipador de calor. El circuito funciona con cargas de 8 ohms y tensión hasta 36 V en este caso.




