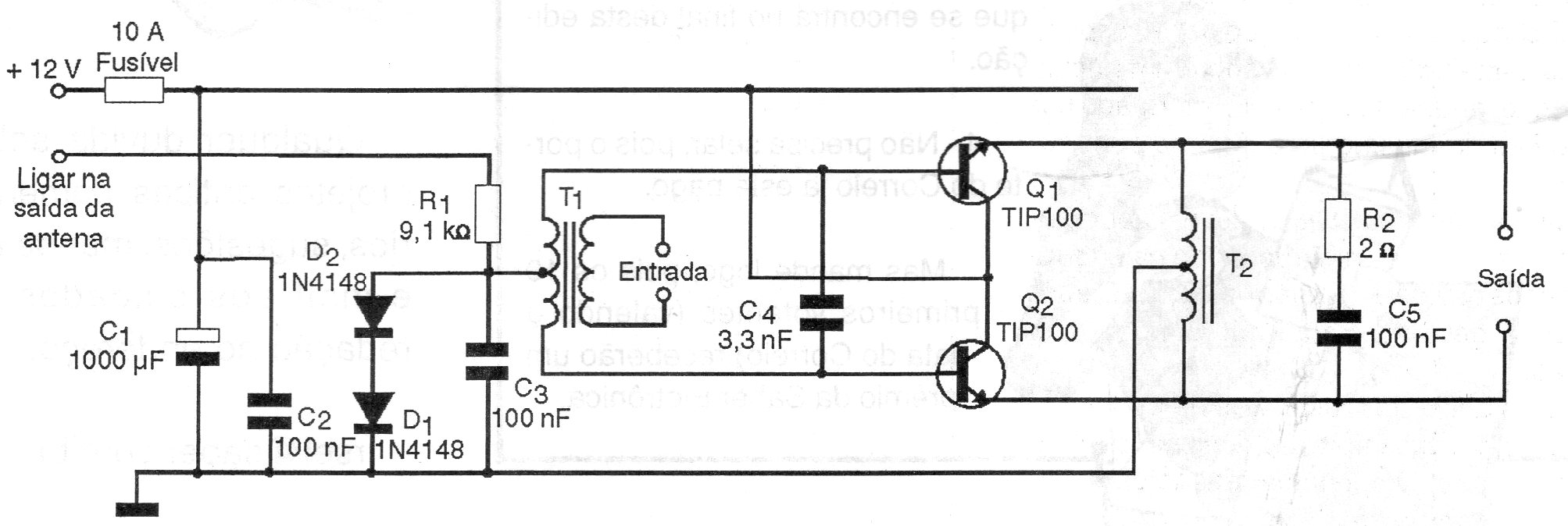
Este módulo de aproximadamente 100 W PMPO fue encontrado en una publicación técnica de 1997. El circuito debe utilizar altavoces de 2 ohms y el transformador T1 tiene devanado de baja impedancia (o baja tensión) y secundario de 600 ohms aproximadamente. T2 tiene 102 + 102 espiras de hilo 21 en un núcleo de transformador con las dimensiones indicadas en la figura. Los transistores de salida deben montarse en disipadores de calor. La corriente drenada por el circuito es del orden de 7 A.





