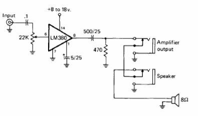
Este circuito fue encontrado en documentación de 1978, haciendo uso del LM380 de National Semiconductor. El circuito tiene salida para auriculares, amplificador externo y un segundo altavoz. Los pines 3,4,5, 10, 11 y 12 son soldados en el área de cobre de la placa que sirve como disipador de calor. La alimentación se puede hacer en el rango indicado, determinando la potencia de salida hasta 2 W.




