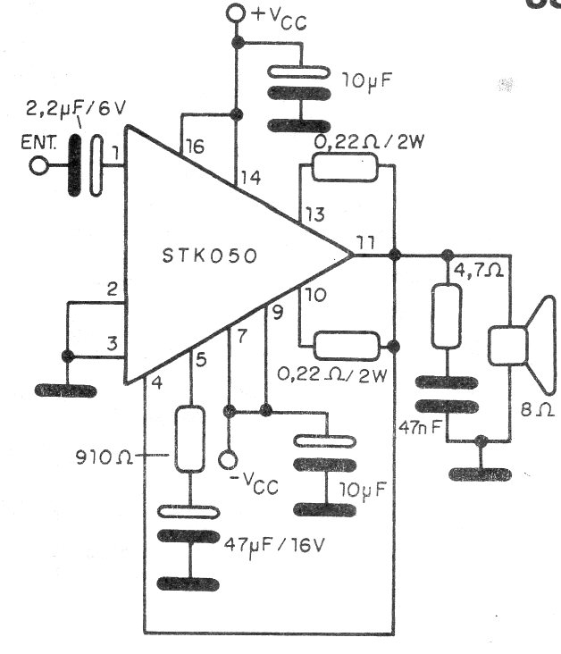
Este circuito de 1992 utiliza un circuito integrado no común actualmente. El circuito integrado de Sanyo debe estar dotado de un buen disipador de calor y la fuente de 35 + 35 V debe suministrar una corriente de al menos 3 A. La resistencia de entrada es de 30 k y la corriente quiescente de 60 mA.




