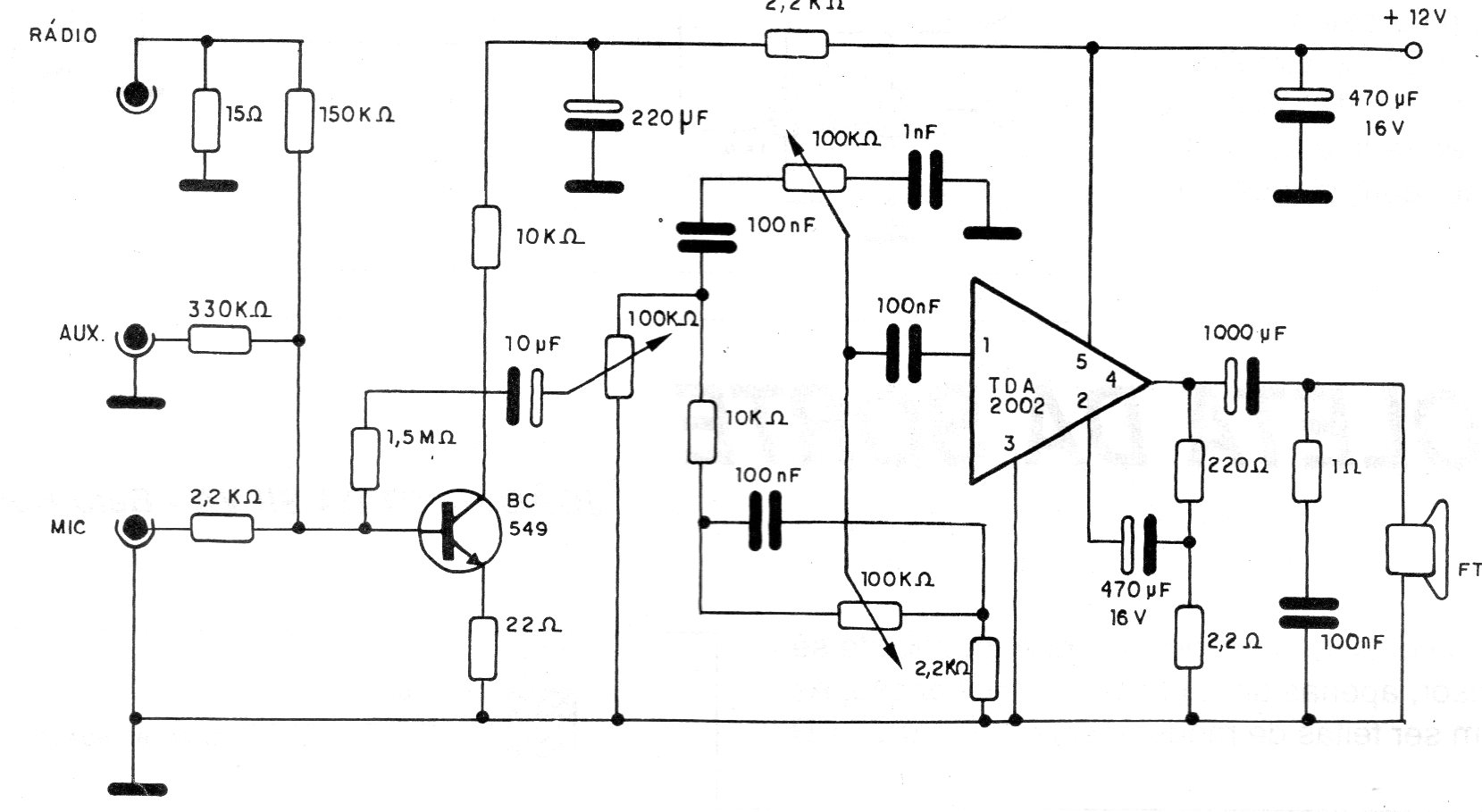
Este excelente amplificador ya ha sido presentado en otras configuraciones en este sitio. Se basa en un circuito integrado TDA2002 y en este caso incluye el control de tonalidad y volume. La alimentación se realiza por 12 V de fuente con al menos 2 A. El circuito tiene tres entradas, según el tipo de señal. El integrado debe estar dotado de un disipador de calor.




