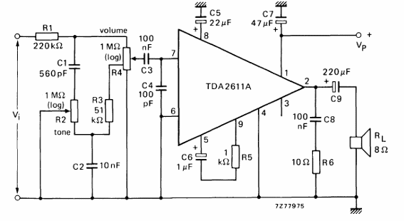
Encontramos este circuito en el Databook de Philips de 1990. El circuito es indicado para aplicaciones de bajo costo en equipos de alimentación de 6 a 35 V. En la tabla abajo tenemos las características del circuito.


Encontramos este circuito en el Databook de Philips de 1990. El circuito es indicado para aplicaciones de bajo costo en equipos de alimentación de 6 a 35 V. En la tabla abajo tenemos las características del circuito.

