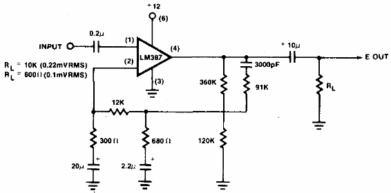
Este circuito, de una publicación técnica de la Signetics de 1977, puede ser usado en la recuperación de medios, para su transferencia a computadoras y otros medios. El circuito tiene una ganancia de 81 dB y una salida de 22 mV rms en carga de 10k.

Este circuito, de una publicación técnica de la Signetics de 1977, puede ser usado en la recuperación de medios, para su transferencia a computadoras y otros medios. El circuito tiene una ganancia de 81 dB y una salida de 22 mV rms en carga de 10k.
