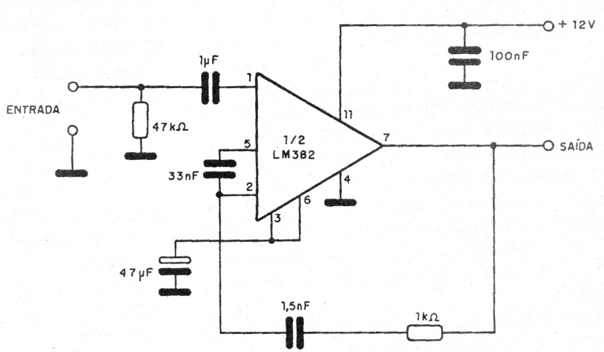
Sólo mostramos uno de los canales de un excelente preamplificador de audio con el circuito integrado LM382 de National Semiconductor. La fuente de alimentación no necesita ser simétrica. La ecualización para este circuito es la RIAA y la impedancia de entrada es de 47 k ohms.




