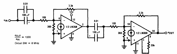
El LM359 es un amplificador de Norton no muy común actualmente. La configuración presentada ha ganado 1000 de tensión. El circuito es del Linear Applications Hanbook de National Semiconductor de 1994.

El LM359 es un amplificador de Norton no muy común actualmente. La configuración presentada ha ganado 1000 de tensión. El circuito es del Linear Applications Hanbook de National Semiconductor de 1994.
