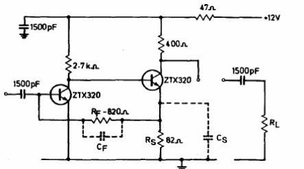
El circuito aperiódico mostrado fue encontrado en un manual de transistores de Ferranti. Su rango pasante es de 230 MHz. La ganancia de corriente es de 10 veces.

El circuito aperiódico mostrado fue encontrado en un manual de transistores de Ferranti. Su rango pasante es de 230 MHz. La ganancia de corriente es de 10 veces.
