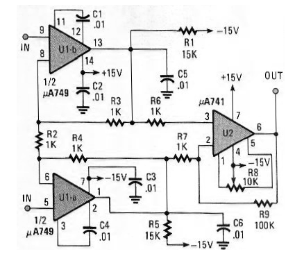
Este circuito fue sugerido por la revista Popular Electronics en la edición de enero de 1993. Este tipo de circuito por su elevadísimo ganancia e impedancia de entrada es normalmente usado en instrumentación. El amplificador uA749 no es muy común, pero se pueden utilizar equivalentes. Cualquier buen amplificador operacional debe funcionar. Tenga en cuenta que la fuente de alimentación debe ser simétrica. El circuito amplifica la diferencia entre las tensiones aplicadas a las entradas.




