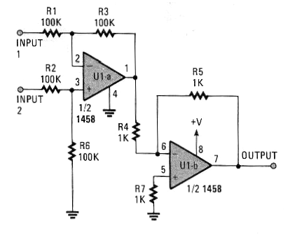
Este circuito fue sugerido por la revista Popular Electronics en la edición de enero de 1993. En él, la tensión de salida es dada por la diferencia entre las tensiones de entrada. En la sección de matemáticas para electrónica, los cálculos para este tipo de circuito. El MC1458 o simplemente 1458 consiste en un doble 741. La fuente de alimentación no necesita ser simétrica si las tensiones de entrada son positivas. Las tensiones de entrada no pueden ser mayores que la tensión de alimentación.




