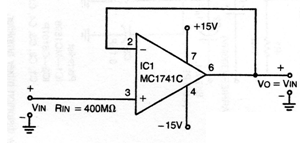
Esta es la configuración tradicional de un seguidor de tensión con el 741. El circuito es de una publicación antigua, pudiendo ser alimentado con tensiones más bajas. En un seguidor de tensión tenemos una impedancia de entrada muy alta, del orden de 400 M ohmios y una impedancia de salida muy baja. La ganancia de tensión es 1. El circuito puede operar con frecuencias de hasta 1 MHz aproximadamente.




