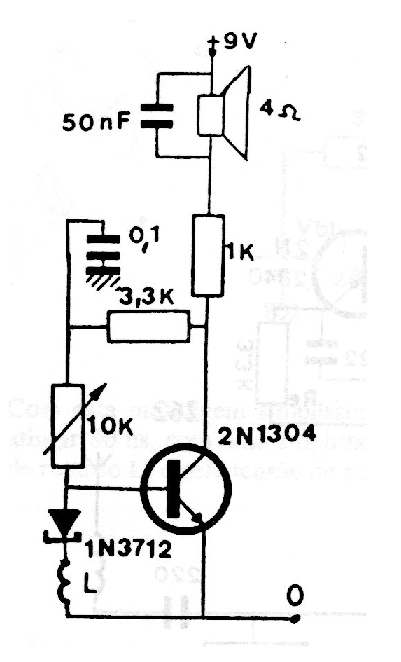
Este circuito genera una señal audible cuando se aproxima a una fuente de señales de RF. La bobina depende del rango de frecuencias de las señales que deben detectarse.

Este circuito genera una señal audible cuando se aproxima a una fuente de señales de RF. La bobina depende del rango de frecuencias de las señales que deben detectarse.
