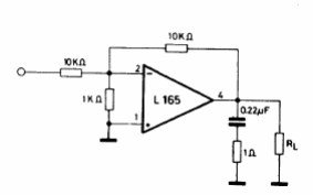
La ganancia de tensión de este circuito encontrado en el manual de circuitos integrados lineales de la SGS de 1982 es 10 veces. El componente usado no es muy común, pero si se encuentra debe estar dotado de radiador de calor en el montaje.

La ganancia de tensión de este circuito encontrado en el manual de circuitos integrados lineales de la SGS de 1982 es 10 veces. El componente usado no es muy común, pero si se encuentra debe estar dotado de radiador de calor en el montaje.
