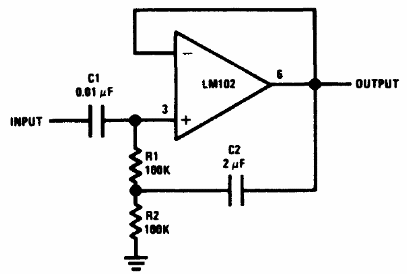
El circuito mostrado fue encontrado en el Linear Application Handbook de National Semiconductor de 1994. El amplificador operacional admite equivalentes y la fuente de alimentación debe ser simétrica.

El circuito mostrado fue encontrado en el Linear Application Handbook de National Semiconductor de 1994. El amplificador operacional admite equivalentes y la fuente de alimentación debe ser simétrica.
