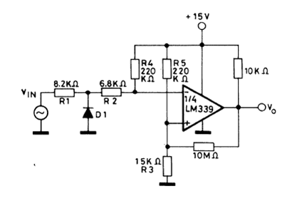
Encontramos este circuito en el manual de circuitos integrados lineales de la SGS de 1982. El diodo D1 evita que la entrada del circuito sea negativa en más de 0,6 V lo que dañaría el componente. La fuente de alimentación no necesita ser simétrica y R1 + R2 debe ser igual a R3.




