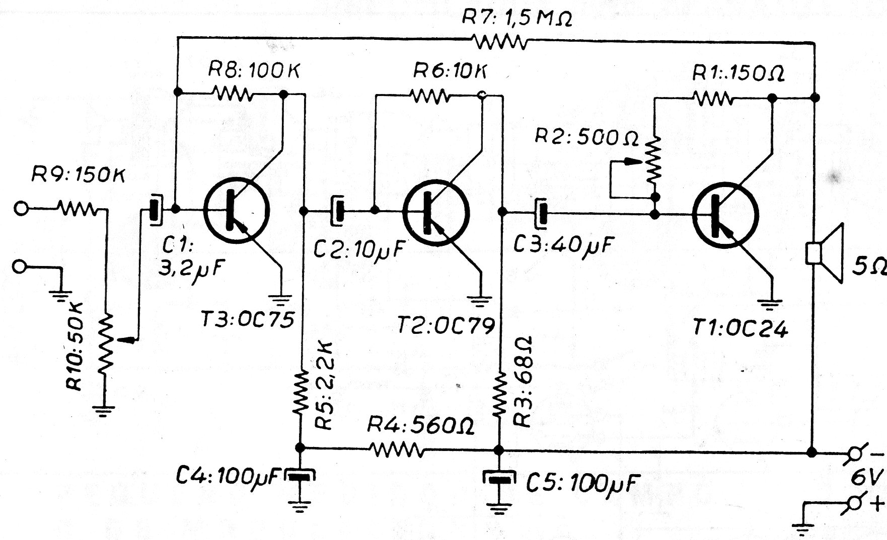
Este amplificador, con transistores de germanio, proporciona una potencia poco menor que 1 W a una carga que puede ser de 4 ó 8 ohms. El circuito puede ser alimentado por fuente o pilas medias. Encontramos este circuito en una antigua publicación argentina de los años 1970. C1 puede ser 3,3 uF y el trimpot de ajuste de 470 ohms.




