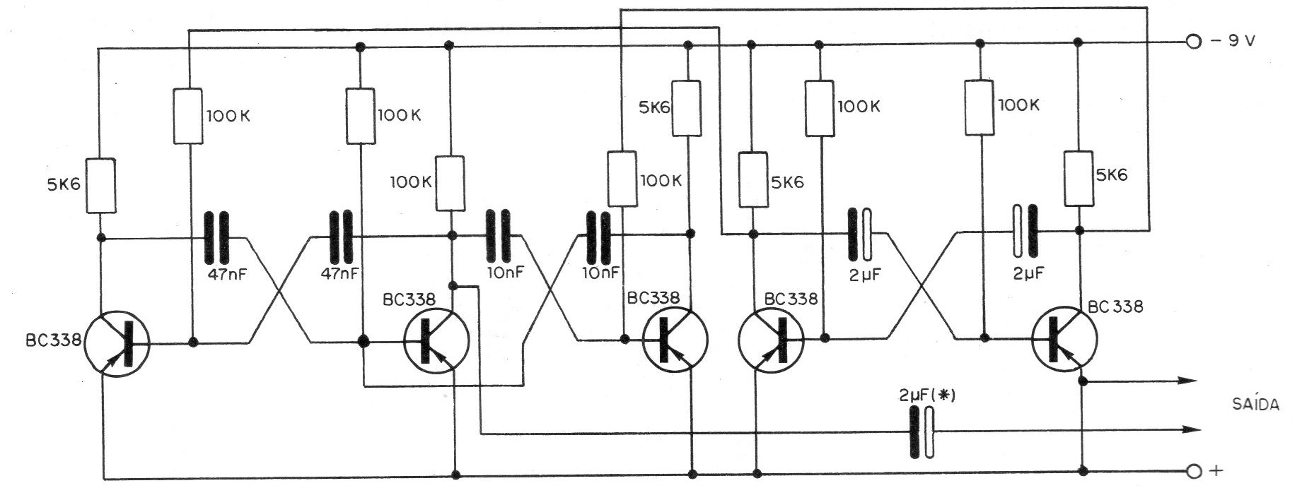
¿Para qué sirve un generador de doble frecuencia? Diversas son las posibilidades de uso para este circuito. El lector puede emplearlo como parte de un buscador de señales diferente, como parte de un instrumento musical electrónico o, simplemente, para generar una señal de timbre diferente en una alarma. Evidentemente, en estas aplicaciones en que el nivel de señal necesario es más alto, será necesario utilizar un amplificador de potencia, externamente. El circuito de este generador de doble frecuencia se muestra en la figura. Conforme el lector puede percibir, se utilizan dos multivibradores astables interconectados, con la utilización de un tercer transistor interacoplado para obtener un efecto de sonido diferente. Los capacitores de 47 nF, 10 nF y 2uF determinan las frecuencias de las señales que están alrededor de 150 Hz la primera y 750 Hz la segunda. El lector utilizó, en el proyecto original, transistores de germanio OC71, pero equivalentes modernos, como el Bo338, pueden perfectamente llevar a los mismos resultados prácticos. En realidad, incluso los transistores NPN de uso general, como los BC237, BC238, BC547 o BC548, pueden ser utilizados, siempre y cuando se invierte la polaridad de la fuente de alimentación. La salida del circuito es de alta impedancia, debiendo ser llevada a circuitos amplificadores con la ayuda de cable blindado. El capacitor de acoplamiento de salida de 2 uF, marcado con (*), puede ser cambiado para adaptar las características del circuito a la entrada del amplificador. En el montaje, que puede ser hecho en puente de terminales o placa de circuito impreso, los principales cuidados a ser tomados son los ya conocidos de la mayoría de los montadores. Los resistores pueden ser de 1/8 o ¼ W, con 10 o 20% de tolerancia. Los capacitores pequeños pueden ser de cerámica o poliéster, con tensiones de trabajo superiores a 25 V. Los capacitores electrolíticos son de 2 uF, 2,2 uF o aún de valores cercanos, si el lector desea experimentar efectos diferentes. En su instalación debe observarse su polaridad. La tensión de alimentación de 9 V puede venir de 6 pilas pequeñas comunes, ya que el consumo de la unidad es bajo, de una sola batería o de una fuente. Observamos que el ritmo de la variación de frecuencia de los dos signos producidos por este generador, puede ser modificado por el cambio de los capacitores electrolíticos de 2,2 uF o 2 uF. Los dos capacitores no necesitan tener exactamente los mismos valores.




