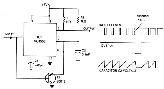
Esta configuración tradicional de detector es de una publicación antigua donde el MC1555 es la versión Motorola del 555 y el transistor puede ser el BC558. La señal generada por el circuito cuando un pulso en una secuencia falla se muestra junto al diagrama. La alimentación puede ser de 5 a 12 V según el tipo de aplicación. La duración máxima de los pulsos y la frecuencia se dan por las características del 555.




