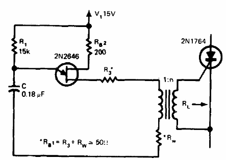
En la figura mostramos un circuito disparador para triacs con un transistor unijunción. El circuito es de una publicación antigua. El transformador de pulsos tiene una relación de espiras que depende del triac usado. Los triacs de la serie TIC se pueden emplear en este circuito. Dependiendo de la carga, el SCR debe estar dotado de radiador de calor.




